GO
D1D2

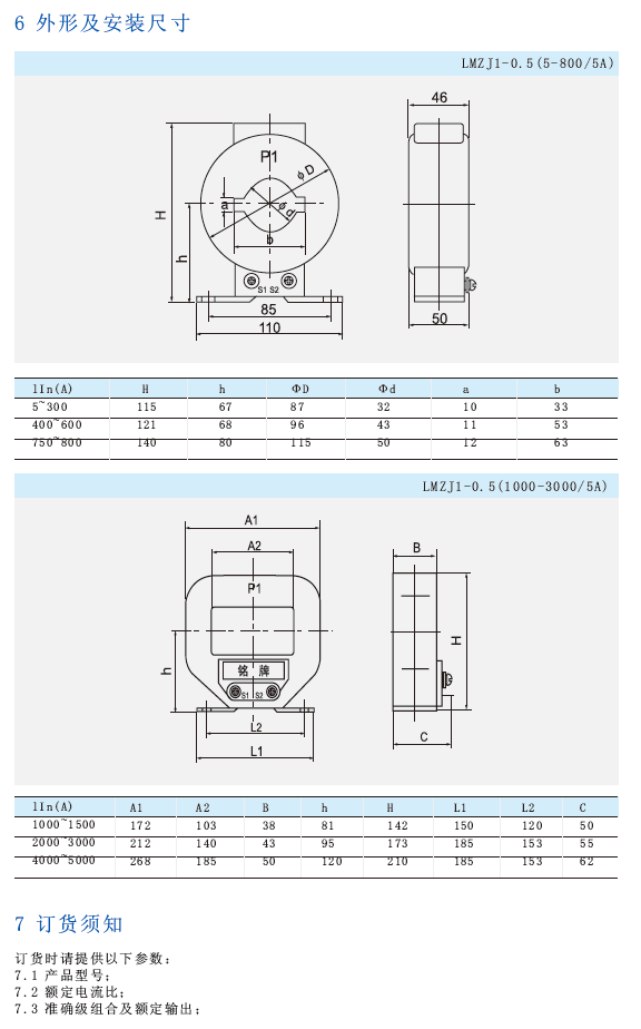
LMZJ1-0.5型电流互感器

所属分类:互感器

PDF File:

在线客服

开云网页版客服1

1428967121

开云网页版客服2

2281824741